武文軒
(上海 ABB 工程有限公司 上海 201319)
摘要:機械手是一種能自動化定位控制并可根據需求重新編程的多功能機器,在工業自動化生產中占據著重要位置。機械手的驅動方式可以是液壓傳動、氣壓傳動,也可以是電氣控制等。通過對一種快速抓取式機械手的設計,主要對手爪部分計算校核,并且對抓取誤差的產生進行分析。
關鍵詞:搬運機器人;機械手;結構設計;誤差分析
機械手的驅動方式有氣壓傳動、液壓傳動、電氣傳動和機械傳動。廣泛使用的氣壓技術以壓縮空氣為介質,具有動作迅速、平穩、可靠、結構簡單輕便、體積小、節能、工作壽命長的特點。
對易于控制、無環境污染的場合,自由度技術常作為機械手的驅動系統的首選。自由度機械手與其它控制方式的機械手相比,具有無污染、抗干擾性強、價格低廉、結構簡單、功率體積比高等特點。
1 機械手總體設計
1.1 機械手工作原理
機械手的種類很多,但按手臂坐標類型來分主要有直角坐標式、圓柱坐標式、球坐標式、關節坐標式、SCARA 型等。
本論文所針對的機械手屬于圓柱坐標式,如圖1所示。機械手主要是由基座和手臂兩部分組成,基座的主要任務是支撐和完成手臂回轉。手臂裝在基座上,作上下直線運動,手部可夾緊/放松。
本機械手的全部動作由氣缸驅動,氣缸由電磁閥控制。驅動部分有升降氣缸、擺動氣缸和手部驅動氣缸。
本機械手氣壓驅動的工作壓力為0.6MPa,最高可達1MPa。這個機械手具有兩個直線運動和一個旋轉運動自由度,用于將原工作臺上的物品搬到其左側工作臺上。整個機械手在工作中能實現上升/下降、左旋轉/右旋轉、夾緊/放松功能,是目前較為簡單的、應用比較廣泛的一種機械手。機械手的工作流程如圖2所示。
其升降運動通過升降氣缸、垂直導柱、滑動導柱、垂直導軌及升
降位置微動開關相互配合完成, 升降工作行程為0~1500 mm。轉動是通過擺動氣缸、軸向止推軸承、擺動臂及擺動位置微動開關協調完成,轉動工作角度范圍為 0~180°。手部是通過氣缸、彈簧的作用來夾持物品,夾持力是靠調節彈簧的預壓縮量來控制。
1.2 機械手系統總體設計方案
本設計機械手主要由4個大部件和5個液壓缸組成:(1)手部,采用一個直線液壓缸,通過機構運動實現手爪的張合;(2)腕部,采用一個回轉液壓缸實現手部回轉 180°;(3)臂部,采用直線缸來實現手臂平移 1.2 m;(4)機身,采用一個直線缸和一個回轉缸來實現手臂升降和回轉。
機械手及工作臺組成的機械手搬運系統,其結構如圖3所示。
機械手、工作臺和紅外檢測器固定在一個大型的基座上。機械手的手部正下方有工作臺,用于放置物品。在機械手的基座和工作臺之間安裝有一個紅外檢測器,用于檢測工作臺上是否有物品。機械手把物品從系統外抓取移送到右面的工作臺上。
2機械手運動分析及計算
2.1 手部設計基本要求
(1)應具有適當的夾緊力和驅動力。應當考慮到在一定的夾緊力下,不同的傳動機構所需的驅動力大小是不同的。
(2)手指應具有一定的張開范圍,手指應該具有足夠的開閉角度?y(手指從張開到閉合繞支點所轉過的角度),以便于抓取工件。
(3)在保證本身剛度、強度的前提下,盡可能使結構緊湊、重 量輕,以利于減輕機械臂的負載,提高效率。
(4)應保證手爪的夾持精度。
2.2 典型的手部結構
(1)回轉型:包括滑槽杠桿式和連桿杠桿式兩種。
(2)移動型:即兩手指相對支座作往復運動。
(3)平面平移型。
2.3 機械手手部的設計計算
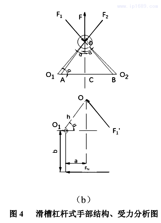
下面對滑槽杠桿式手部結構進行力學分析:圖4(a)為常見的滑槽杠桿式手部結構。
在杠桿的作用下,銷軸向上的拉力為F,并通過銷軸中心0點,兩手指的滑槽對銷軸的反作用力為F1和F2,其力的方向垂直于滑槽的中心線001和002并指向0點,交F1和F2的延長線于A及B。
式中:α為手指的回轉支點到對稱中心的距離(mm),α為工件被夾緊時手指的滑槽方向與兩回轉支點的夾角。
由分析可知,當驅動力F一定時,a角增大,則握力FN也隨之增大,但α角度過大會導致拉桿行程過長,以及手部結構增大,因此最好a= 30°~40°。
為了保證手爪張開角為60°,活塞桿運動長度為34mm。
手爪夾持范圍,在100mm以內。當手爪沒有張開角的時候,如圖5(a)所示,根據機構設計,它的最小夾持半徑R1 =40mm,當張開角為60°時,如圖5(b)所示,最大夾持半徑R2計算如下:
所以機械手的夾持半徑在40~100 mm。
2.4 機械手手爪夾持精度的分析計算
機械手的精度設計要求工件定位準確,抓取精度高,重復定位精準及運動穩定性好,并有足夠的抓取能力。
機械手能否準確夾持工件,把工件送到指定位置,不僅取決于機械手的定位精度(由臂部和腕部等運動部件來決定),而且也與機械手夾持誤差大小有關,特別是在多品種的中、小批量生產中。為了適應工件尺寸在一定范圍內變化,一定要進行機械手的夾持誤差計算分析。
該設計以棒料來分析機械手的夾持誤差精度,如圖6所示。
機械手的夾持直徑范圍為80mm~200mm,一般夾持誤差不超過1mm,分析如下:
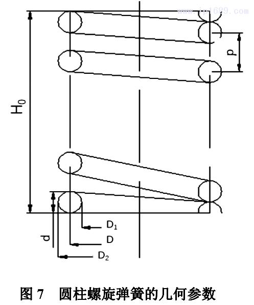
2.5 彈簧的設計計算
選擇彈簧是壓縮條件,選擇圓柱壓縮彈簧。如圖7所示,計算過程如下。
(1)選擇硅錳彈簧鋼,查取許用切應力:
(2)選擇旋繞比C=8,則
(3)根據安裝空間選擇彈簧中徑D=42(mm),估算彈簧絲直徑:
(4)試算彈簧絲直徑:
(5)根據變形情況確定彈簧圈的有效圈數∶
選擇標準為n=3 ,彈簧的總圈數n1 =n+1.5 = 4.5 圈。
(6)最后確定D=42(mm),d=7(mm),D1=D-d=35(mm),D2=D+d=49(mm)

(7)對于壓縮彈簧穩定性的驗算
對于壓縮彈簧如果長度較大時,則受力后容易失去穩定性,這在工作中是不允許的。為了避免這種現象,壓縮彈簧的長細比。本設計彈簧是2端自由,根據下列選取:
當兩端固定時,b≤ 5.3;當一端固定,一端自由時,b ≤ 3.7;當兩端自由轉動時,b≤ 2.6。
結論:本設計彈簧 b =1.76 ≤ 2.6,因此彈簧穩定性合適。
3 結語
搬運機械手是現代機電一體化自動生產線中重要的輔助裝置。它可實現上下、左右、伸縮六個方向的三維空間運動,較適合經常變更的生產與柔性制造生產的現代加工方法。機械手爪作為機械手的重要組成部分,其設計的優劣, 對機械手的使用有直接的影響。因此,對機械手爪提出了重量輕便、結構簡易、抓取穩定、壽命長久的設計要求。
本文基于一款通用型機械手的設計,介紹了機械手的總體結構及工作原理,重點對機械手爪的設計進行了計算校核,并對抓取誤差進行了分析,為今后對機械手及抓取部件的設計提供了一種思路與方法。
參考文獻
[1]范芳蕾,余宏濤,張克義,等.基于PLC的四軸搬運機械手實驗裝置的研究[J].裝備制造技術,2017(10):80-83.
[2]龍創平,陳豪.氣動搬運機械手機械結構設計及分析[J].中國設備程,2018(01):133-134.
[3]李衛民,華雷.注塑機專用取件機械手結構設計[J]. 機械工程師2018(07):52-54.
[4]王宇鋼,王朝.活塞桿搬運機械手結構設計及運動學仿真[J].裝備制造術,2018(06):5-8.
[5]胡傳松.沖床卸料機械手的結構設計與有限元仿真[J].西安文理學院學報(自然科學版),2018,21(05):31-35.